Module Tạo Xung Sin EGS002-EG8010 + Màn Hình Hiển Thị
TÍNH NĂNG SẢN PHẨM
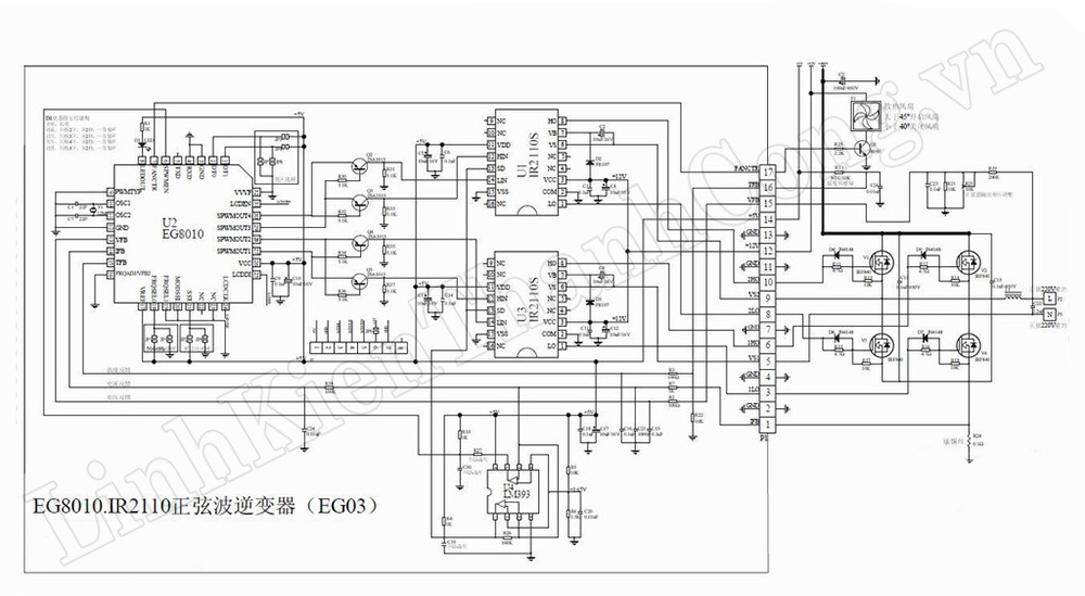
- Mạch Tạo Xung Sin EGS002-EG8010 là sản phẩm chuyên để sử dụng tạo xung sin phục vụ cho thí nghiệm, DIY, trong các sản phẩm điện tử,...
- EG8010 Là dòng vi điều khiển tạo sóng sin, Mạch được áp dụng để chuyển đổi DC-DC-AC hai giai đoạn , hoặc DC-AC trực tiếp . Chip sử dụng dao động thạch anh 12MHz bên ngoài, Mạch tao ra sóng sin tinh khiết với tần số 50-60HZ. Chip sử dụng công nghệ CMOS, kết hợp với mạch băm xung SPWM điều khiển thời gian, chế độ khởi động mềm, mạch bảo vệ, và RS232 giao tiếp.
- Sản phẩm có kích thước rất nhỏ gọn và dễ dàng sử dụng trong các mạch điện tử cũng như trong việc chuyển đổi dòng điện, điều chế tín hiệu,...
- Tuỳ thuộc vào nhu cầu sử dụng mà chúng ta sẽ chọn cho mình một bộ sản phẩm phù hợp nhất.
THÔNG SỐ KĨ THUẬT
- Sản phẩm gồm: Mạch tạo xung + Màn hình hiển thị
- Tên mã: EGS002 EG8010 IR2110
- Điện áp ngõ vào: 380VDC
- Điện áp ngõ vào: 16VAC
- Điện áp ngõ ra: 220VAC
- Tần số ra: 50/60HZ
- Hoạt động với nguồn: 5VDC
- Chân số 4 điều chính tần số sóng SIN
- Điều chế một cực và hai cực
- Thạch anh dao động: 12MHz
- Tần số sóng mang PWM: 23.4KHz
- Kích thước: 6x3cm
HÌNH ẢNH SẢN PHẨM


