TÍNH NĂNG SẢN PHẨM
- IC là cụm từ viết tắt của thuật ngữ Integrated Circuit. IC cấu tạo gồm các linh kiện bán dẫn và các linh kiện thụ động. Linh kiện bán dẫn như transitor và các điện trở ở đây là các linh kiện thụ động. Chúng tạo ra một mối liên hệ và kết nối với nhau để cùng thực hiện một chức năng nào đó được định sẵn.
- IC có ứng dụng rất rộng rãi và đa dạng trong ngành công nghiệp điện tử hiện nay. Mỗi IC có tính chất riêng về môi trường như: nhiệt độ, điện thế giới hạn, công suất làm việc, tất cả được ghi trong bảng thông tin (datasheet) của nhà sản xuất tạo ra nó
- Tuỳ thuộc vào nhu cầu sử dụng mà chúng ta sẽ chọn cho mình các linh kiện phù hợp nhất.
THÔNG SỐ KĨ THUẬT
- Tên mã: LM2576S-ADJ
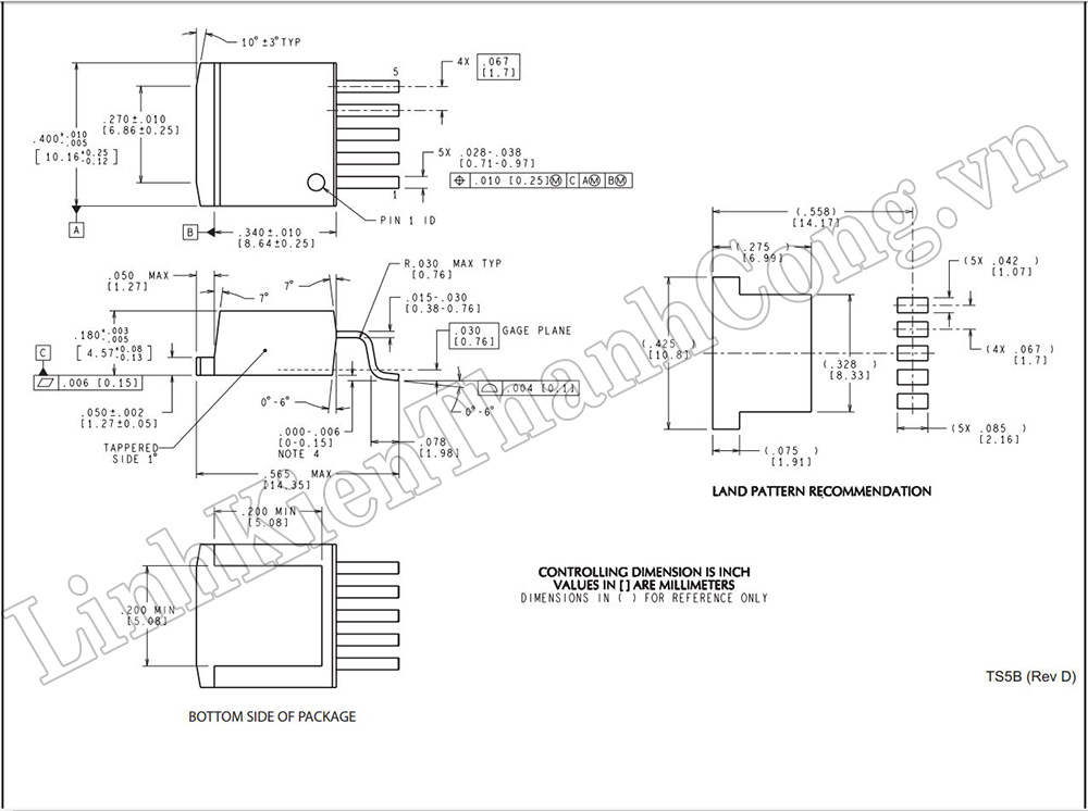
- Kiểu chân: TO263
- Số lượng chân: 5 chân
DATASHEET
- Tham khảo Datasheet sản phẩm: >>Tại Đây<<



HÌNH ẢNH SẢN PHẨM
